| 该系列气缸是以QGB为基础的双活塞杆气缸,即活塞两端安装两根活塞杆,双向作用,推力和拉力相同,运动方向、速度、行程相同。有多种安装和连接方式,安装尺寸与QGB相同。可内置磁环,外带磁性开关。 |
 |
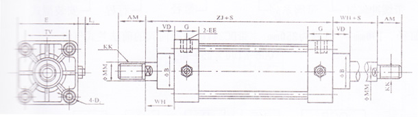
基本型外形尺寸图

|
缸径
|
B
|
MM
|
AM
|
KK
|
VD
|
EE
|
WH
|
G
|
E
|
TV
|
D2
|
L2
|
ZJ
|
|
40
|
36
|
16
|
24
|
M12*1.25
|
22
|
M14*1.5
|
G1/4
|
30
|
26
|
62
|
42
|
M6
|
10
|
105
|
|
50
|
38
|
20
|
32
|
M16*1.5
|
23
|
M14*1.5
|
G1/4
|
37
|
28
|
70
|
50
|
M6
|
10
|
131
|
|
63
|
42
|
20
|
32
|
M16*1.5
|
23
|
M18*1.5
|
G3/8
|
37
|
30
|
83
|
60
|
M8
|
12
|
142
|
|
80
|
50
|
25
|
40
|
M20*1.5
|
25
|
M18*1.5
|
G3/8
|
45
|
32
|
100
|
72
|
M10
|
13
|
158
|
|
100
|
52
|
25
|
40
|
M20*1.5
|
25
|
M22*1.5
|
G1/2
|
49
|
39
|
120
|
90
|
M10
|
13
|
175
|
|
125
|
70
|
32
|
54
|
M27*2
|
30
|
M22*1.5
|
G1/2
|
63
|
44
|
148
|
112
|
M12
|
15
|
191
|
注:技术参数及安装形式外形尺寸参照双作用普通气缸系列 |