 |
|
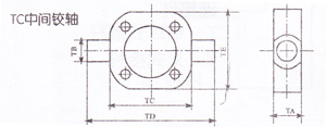
代号\缸径
|
Φ32
|
Φ40
|
Φ50
|
Φ63
|
Φ80
|
Φ100
|
Φ125
|
Φ160
|
|
TA
|
30
|
30
|
30
|
30
|
35
|
40
|
43
|
53
|
|
TB
|
Φ16
|
Φ25
|
Φ25
|
Φ25
|
Φ25
|
Φ25
|
Φ25
|
Φ36
|
|
TC
|
55
|
63
|
76
|
88
|
114
|
132
|
158
|
200
|
|
TD
|
87
|
113
|
126
|
138
|
164
|
182
|
208
|
272
|
|
TE
|
52
|
59
|
71
|
86
|
104
|
128
|
158
|
200
|
|
BA
|
40
|
40
|
40
|
40
|
65
|
65
|
77
|
120
|
|
BB
|
60
|
70
|
70
|
70
|
95
|
95
|
112
|
165
|
|
BC
|
8
|
8
|
8
|
8
|
12
|
12
|
15
|
23
|
|
BD
|
55
|
65
|
65
|
65
|
85
|
85
|
112
|
142.5
|
|
BE
|
65
|
80
|
80
|
80
|
105
|
105
|
110
|
130
|
|
BF
|
85
|
105
|
105
|
105
|
135
|
135
|
145
|
175
|
|
BG
|
35
|
45
|
45
|
45
|
60
|
60
|
75
|
115
|
|
BH
|
Φ9
|
Φ11
|
Φ11
|
Φ11
|
Φ14
|
Φ14
|
Φ18
|
Φ22
|
|
BI
|
Φ12
|
Φ14
|
Φ14
|
Φ14
|
Φ20
|
Φ20
|
Φ20
|
Φ28
|
|
CA
|
15
|
23
|
23
|
23
|
23
|
23
|
25
|
26
|
|
CB
|
60
|
80
|
80
|
80
|
85
|
85
|
105
|
140
|
|
CC
|
80
|
110
|
110
|
110
|
120
|
120
|
145
|
185
|
|
CD
|
Φ
|
Φ
|
Φ
|
Φ
|
Φ
|
Φ
|
Φ
|
Φ
|
|
CE
|
40
|
50
|
50
|
50
|
70
|
70
|
85
|
130
|
|
CF
|
56
|
72
|
72
|
72
|
92
|
92
|
115
|
170
|
|
CG
|
Φ16
|
Φ25
|
Φ25
|
Φ25
|
Φ25
|
Φ25
|
Φ25
|
Φ36
|
|
CH
|
12
|
12
|
12
|
12
|
14
|
14
|
25
|
25
|
|
A
|
23
|
25
|
33
|
33
|
41
|
41
|
56
|
69
|
|
CA
|
55
|
60
|
60
|
60
|
85
|
85
|
100
|
125
|
|
CD
|
Φ12
|
Φ14
|
Φ14
|
Φ14
|
Φ20
|
Φ20
|
Φ20
|
Φ28
|
|
ER
|
R12
|
R12
|
R14
|
R14
|
R19
|
R19
|
R20
|
R28
|
|
EW
|
16
|
20
|
20
|
20
|
32
|
32
|
32
|
40
|
|
KK
|
M10×1.25
|
M12×1.25
|
M16×1.5
|
M16×1.5
|
M20×1.5
|
M20×1.5
|
M27×2
|
M36×2
|
|
CC
|
20
|
20
|
18
|
18
|
28
|
28
|
35
|
36.5
|
|
CB
|
20
|
20
|
20
|
20
|
30
|
30
|
32
|
33
|
|
CP
|
46
|
58
|
58
|
58
|
78
|
78
|
78
|
97
|
|
CT
|
32
|
44
|
44
|
44
|
64
|
64
|
64
|
80
|
|
ED
|
Φ36
|
Φ40
|
Φ40
|
Φ40
|
Φ52
|
Φ52
|
Φ56
|
Φ60
|
|
TA
|
18
|
20
|
30
|
30
|
36
|
36
|
41
|
62
|
|
SA
|
43
|
50
|
64
|
64
|
77
|
77
|
84
|
115
|
|
FA
|
29
|
29
|
36
|
36
|
47
|
56
|
68
|
71
|
|
FB
|
21
|
21
|
28
|
28
|
34
|
34
|
47
|
50
|
|
FE
|
14
|
14
|
16
|
16
|
22
|
24
|
36
|
42
|
|
FM
|
Φ34
|
Φ34
|
Φ44
|
Φ44
|
Φ52
|
Φ52
|
Φ64
|
Φ70
|
|
FJ
|
70
|
70
|
89
|
89
|
110
|
123
|
157
|
171
|
|