|
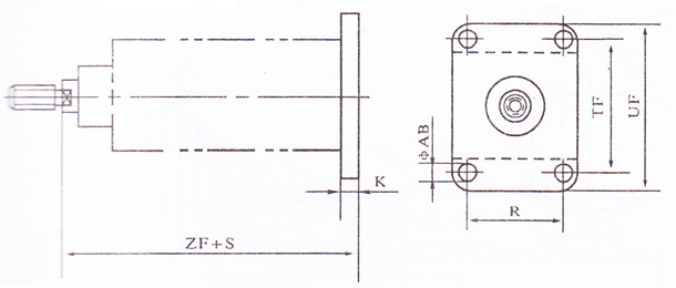
MF1前法兰安装式

MF2后法兰安装式

MF1前法兰
MF2后法兰 安装尺寸
|
缸径
|
UF
|
TF
|
TB
|
R
|
W
|
ZB
|
ZF
|
K
|
|
32
|
80
|
64
|
7
|
32
|
16
|
122
|
130
|
8
|
|
40
|
88
|
72
|
9
|
36
|
20
|
135
|
145
|
10
|
|
50
|
110
|
90
|
9
|
45
|
25
|
145
|
155
|
10
|
|
63
|
120
|
100
|
9
|
50
|
25
|
160
|
172
|
12
|
|
80
|
150
|
126
|
12
|
63
|
30
|
174
|
190
|
16
|
|
100
|
184
|
150
|
14
|
75
|
35
|
189
|
205
|
16
|
|
125
|
210
|
180
|
16
|
90
|
45
|
229
|
247
|
18
|
|
160
|
268
|
230
|
18
|
115
|
60
|
260
|
280
|
20
|
|
200
|
320
|
270
|
22
|
135
|
70
|
280
|
300
|
20
|
|
250
|
394
|
330
|
26
|
165
|
80
|
305
|
330
|
25
|
|
320
|
475
|
400
|
33
|
200
|
90
|
345
|
375
|
30
|
|