|

|
缸径D
|
40
|
50
|
63
|
80
|
100
|
125
|
140
|
160
|
180
|
200
|
220
|
250
|
280
|
320
|
|
杆径d
|
20/28
|
28/35
|
35/45
|
45/55
|
55/70
|
70/90
|
90/
100
|
100/
110
|
110/
125
|
125/
140
|
140/
160
|
160/
180
|
180/
200
|
200/
220
|
|
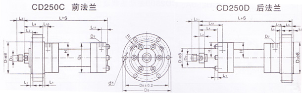
CD250C.
CD250D
|
D2
|
A
|
M18
×2
|
M24
×2
|
M30
×2
|
M39
×3
|
M50
×3
|
M64
×3
|
M80
×3
|
M90
×3
|
M100
×3
|
M110
×3
|
M110
×4
|
M120
×4
|
M150
×4
|
M160
×4
|
|
G
|
M16
×1.5
|
M22
×1.5
|
M28
×1.5
|
M35
×1.5
|
M45
×1.5
|
M58
×1.5
|
M65
×1.5
|
M80
×2
|
M100
×2
|
M110
×2
|
M120
×3
|
M120
×3
|
M130
×3
|
-
|
|
D7
|
01
|
1/2”
BSP
|
1/2”
BSP
|
3/4”
BSP
|
3/4”
BSP
|
1”
BSP
|
11/4”
BSP
|
11/4”
BSP
|
11/2”
BSP
|
11/2”
BSP
|
11/2”
BSP
|
11/2”
BSP
|
11/2”
BSP
|
11/2”
BSP
|
11/2”
BSP
|
|
02
|
M22
×1.5
|
M22
×1.5
|
M27
×2
|
M27
×2
|
|
M42
×2
|
M42
×2
|
M48
×2
|
M48
×2
|
M48
×2
|
M48
×2
|
M48
×2
|
M48
×2
|
M48
×2
|
|
D8
|
108
|
130
|
155
|
170
|
205
|
245
|
265
|
325
|
360
|
375
|
430
|
485
|
520
|
600
|
|
D9
|
130
|
160
|
185
|
200
|
245
|
295
|
315
|
385
|
420
|
445
|
490
|
555
|
590
|
680
|
|
L3
|
A
|
30
|
35
|
45
|
55
|
75
|
95
|
110
|
120
|
140
|
150
|
160
|
160
|
190
|
200
|
|
G
|
16
|
22
|
28
|
35
|
45
|
58
|
65
|
80
|
100
|
110
|
120
|
120
|
130
|
-
|
|
d1
|
11.5
|
14
|
14
|
18
|
22
|
22
|
28
|
30
|
33
|
33
|
39
|
39
|
45
|
|
|
R1(A10
/B10)
|
7/16
|
2/14
|
2/9
|
1.5/5
|
-/11.5
|
4/-
|
-
|
27.5/-
|
18/-
|
20/-
|
-
|
-
|
-
|
-
|
|
H
|
45
|
55
|
63
|
70
|
82.5
|
103
|
112.5
|
132.5
|
147.5
|
157.5
|
180
|
200
|
220
|
250
|
|
CD250C
|
D1
|
90
|
110
|
130
|
145
|
175
|
210
|
230
|
275
|
300
|
320
|
370
|
415
|
450
|
510
|
|
D5
|
85
|
105
|
120
|
135
|
165
|
200
|
220
|
265
|
290
|
310
|
355
|
395
|
430
|
490
|
|
L
|
268
|
278
|
324
|
325
|
405
|
474
|
520
|
585
|
635
|
665
|
780
|
814
|
905
|
1000
|
|
L1
|
5
|
5
|
5
|
5
|
5
|
5(10)
|
10
|
10
|
10
|
10
|
10
|
10
|
10
|
10
|
|
L2
|
19
|
23
|
27
|
25
|
35
|
37
|
45
|
50
|
50
|
50
|
60
|
70
|
65
|
65
|
|
L9
|
49
|
53
|
62
|
60
|
80
|
87
|
95
|
110
|
120
|
125
|
145
|
155
|
160
|
185
|
|
L13
|
27
|
27
|
27.5
|
30
|
32.5
|
35
|
45
|
50
|
55
|
55
|
80
|
80
|
110
|
110
|
|
L11
|
27
|
27
|
27.5
|
30
|
32.5
|
35
|
45
|
50
|
55
|
45
|
80
|
80
|
109
|
110
|
|
CD25D
|
D1
|
55
|
68
|
75
|
95
|
115
|
135
|
155
|
180
|
200
|
215
|
245
|
280
|
305
|
340
|
|
D5
|
90
|
110
|
130
|
145
|
175
|
210
|
230
|
275
|
300
|
320
|
370
|
415
|
450
|
510
|
|
L
|
256
|
264
|
297
|
315
|
375
|
432
|
475
|
535
|
585
|
615
|
720
|
744
|
839
|
935
|
|
L1
|
8
|
10
|
12
|
12
|
16
|
-
|
-
|
-
|
-
|
-
|
-
|
-
|
-
|
-
|
|
L2
|
17
|
21
|
25
|
15.5
|
33
|
32
|
37/33
|
40
|
40/37
|
40
|
25
|
25
|
35
|
40
|
|
L4
|
54
|
58
|
67
|
65
|
85
|
97
|
105
|
120
|
130
|
135
|
155
|
165
|
175
|
195
|
|
L8
|
5
|
5
|
5
|
10
|
10
|
10
|
10
|
10
|
10
|
10
|
10
|
10
|
10
|
-
|
|
L9
|
30
|
30
|
35
|
35
|
45
|
50
|
50
|
60
|
70
|
75
|
85
|
85
|
95
|
120
|
|
L12
|
76
|
80
|
89.5
|
86
|
112.5
|
132
|
145
|
160
|
175
|
180
|
225
|
235
|
270
|
295
|
|
L13
|
27
|
27
|
27.5
|
35
|
37.5
|
40
|
50
|
50
|
55
|
50
|
80
|
80
|
109
|
110
|
|
CD250C
|
系数X
|
8
|
12
|
20
|
23
|
41
|
95
|
120
|
212
|
273
|
334
|
485
|
643
|
784
|
1096
|
|
CD250D
|
系数X
|
9
|
13
|
22
|
26
|
48
|
95
|
120
|
212
|
273
|
334
|
485
|
643
|
784
|
1263
|
|
CD250C
CD250D
|
系数Y
|
0.11/
0.015
|
0.015
/0.019
|
0.020
/0.024
|
0.030
/0.039
|
0.050
/0.060
|
0.078
/0.092
|
0.105
/0.122
|
0.136
/0.156
|
0.170
/0.192
|
0.220
/0.246
|
0.262
/0.299
|
0.346
/0.387
|
0.378
/0.434
|
0.510
/0.562
|
|
重量Kg
|
M=X+Y×S
|
|