|
LZ型杆连接尺寸表
|
缸径
|
CE
|
CK
|
CL
|
CM
|
DA
|
ER
|
KK
|
LE
|
|
32
|
38
|
10
|
40
|
12+0.3+0.1
|
20
|
20
|
M10×1.25
|
15
|
|
40
|
45
|
12
|
44
|
16+0.3+0.1
|
24
|
24
|
M12×1.25
|
20
|
|
50.63
|
54
|
16
|
44
|
16+0.3+0.1
|
28
|
28
|
M16×1.5
|
20
|
|
80.100
|
70
|
20
|
66
|
30+0.4+0.1
|
36
|
36
|
M20×1.5
|
28
|
|
125
|
88
|
25
|
71
|
32+0.4+0.1
|
44
|
44
|
M27×2
|
32
|
|
160.200
|
115
|
32
|
80
|
36+0.4+0.1
|
58
|
58
|
M36×2
|
40
|
|
250
|
130
|
40
|
92
|
42+0.4+0.1
|
64
|
64
|
M42×2
|
50
|
|
320
|
148
|
50
|
110
|
50+0.4+0.1
|
70
|
70
|
M48×2
|
63
|

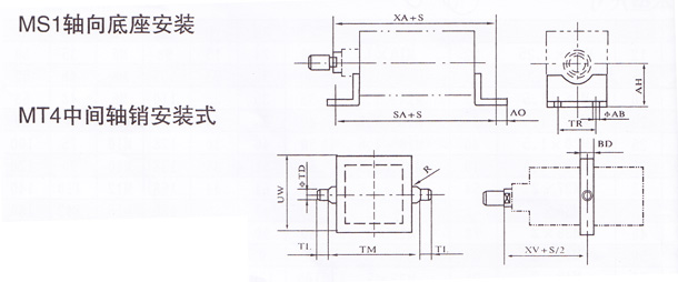
MS1轴向底座
MT4中间轴销 安装尺寸
|
缸径
|
AH
|
TR
|
AB
|
SA
|
XA
|
AO
|
UW
|
TD
|
BD
|
TL
|
TM
|
XV
|
|
32
|
32
|
32
|
7
|
142
|
144
|
8
|
50
|
12
|
18
|
12
|
50
|
74
|
|
40
|
36
|
36
|
9
|
161
|
163
|
15
|
65
|
16
|
26
|
16
|
63
|
81.5
|
|
50
|
45
|
45
|
9
|
170
|
175
|
15
|
80
|
16
|
28
|
16
|
75
|
88
|
|
63
|
50
|
50
|
9
|
185
|
190
|
15
|
98
|
20
|
30
|
20
|
90
|
97.5
|
|
80
|
63
|
63
|
12
|
210
|
215
|
20
|
120
|
20
|
35
|
20
|
110
|
110
|
|
100
|
75
|
75
|
14
|
220
|
230
|
25
|
145
|
25
|
40
|
25
|
132
|
120
|
|
125
|
90
|
90
|
16
|
250
|
270
|
25
|
175
|
25
|
45
|
25
|
160
|
143
|
|
160
|
115
|
115
|
18
|
300
|
320
|
25
|
220
|
32
|
50
|
32
|
200
|
170
|
|
200
|
135
|
135
|
22
|
320
|
345
|
35
|
260
|
32
|
55
|
32
|
250
|
185
|
|
250
|
165
|
165
|
25
|
350
|
380
|
40
|
320
|
40
|
65
|
40
|
320
|
205
|
|
320
|
200
|
200
|
33
|
390
|
425
|
45
|
400
|
50
|
75
|
50
|
400
|
230
|
|